0
Вартість
0 грн.
Увійти
Реєстрація
:
46.50 грн.
Долар:
43.60 грн.
Євро:
51.80 грн.
Вы не авторизовані!
Зареєструйтесь
та отримайте доступ до повного функціоналу сайта.
Мова
сайту
Українська
Російська
Валюта
сайту
UAH
EUR
USD
GBP
:
46.50 грн.
Долар:
43.60 грн.
Євро:
51.80 грн.
0
Вартість
0 грн.
Увійти
Реєстрація
:
46.50 грн.
Долар:
43.60 грн.
Євро:
51.80 грн.
Модель
Выберите модель авто
Range Rover Classic (1986-1991)
Defender L 316 (1987-2006)
Defender L 316 (2007-2014)
Freelander I L314 (1996-2006)
Freelander II L359
Range Rover II P38 (1994-2001)
Range Rover Evoque L538 (2012-)
Discovery I L25 (1989-1998)
Discovery II L50 (1998-2004)
Discovery III L319 (2005-2009)
Discovery IV L319 (2010-2015)
Range Rover III L322 (2002-2009)
Range Rover IV L322 (2010-2012)
Range Rover Vogue L322 (2010-2012) NAS
Range Rover Vogue L405 с 2017-
Range Rover Vogue L405 (2013-2017)
Range Rover Sport L320 (2005-2009)
Range Rover Sport (L320) 2010-2013
Range Rover Sport L494 (2014-2017)
Range Rover Sport L494 с 2017-
Range Rover Velar L560 (2018-)
Discovery Sport L550
Discovery V L462 с 2017-
Головна
Каталог
Планове ТО
Новини
Про нас
Контакти
Корисні поради
Каталог
1996-2006 Freelander 1 (L314)
ДВИГАТЕЛЬ
G3: 2000 - ДИЗЕЛЬ - TD4
110 Масляный насос (M47 2,0 л рядный 4-цил. 16-клап. дизель)
Каталог:
Назва
Код
Ціна
Кількість
Купити
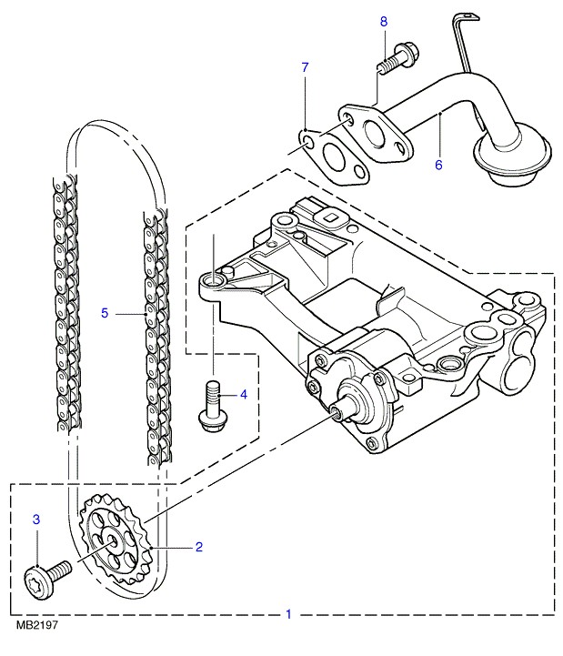
8
- Болт
Болт
Детально
LR020101
107.23 грн.
Доступна к-ть:
0 шт.
Замовити
4
- Bolt-flanged head m8*28 cover to block; 2.5 m51 bmw турбодизель
Bolt-flanged head m8*28 cover to block; 2.5 m51 bmw турбодизель
Детально
STC2336L
149.18 грн.
Доступна к-ть:
0 шт.
Замовити
7
- Прокладка - sump oil strainer
Прокладка - sump oil strainer
Детально
LVW000020
320.64 грн.
Доступна к-ть:
0 шт.
Замовити
3
- Болт m8*35
Детально
LYG101590L
261.07 грн.
Доступна к-ть:
0 шт.
Замовити
2
- Звездочка м/насоса TD4 Freelander / 3,0 дизель RR L322
Звездочка м/насоса TD4 Freelander / 3,0 дизель RR L322
Детально
LIH100030L
1 089.35 грн.
Доступна к-ть:
0 шт.
Замовити
6
- Pipe в сборе -oil strainer
Детально
LSP100860L
2 187.51 грн.
Доступна к-ть:
0 шт.
Замовити
5
- Цепь привода масляного насоса TD4 / 3,0 дизель Range Rover L322
Цепь привода масляного насоса TD4 / 3,0 дизель Range Rover L322
Детально
LRC100070L
3 805.23 грн.
Доступна к-ть:
0 шт.
Замовити
1
- Pump в сборе -engine oil
Pump в сборе -engine oil
Детально
LR006805
12 950 грн.
Доступна к-ть:
0 шт.
Замовити
Наші контакти:
Контакти -
+38 (067) 310-51-00
+38 (044) 391-11-93
+38 (095) 914-81-41
Facebook:
Facebook -
www.facebook.com/Landstorecomua
Назва товару
×
Оберіть склад
Склад 1
Склад 2
Ціна:
2,200 грн.
Купити товар
×
Товар добавлен в корзину
В корзину
Продолжить покупки