0
Вартість
0 грн.
Увійти
Реєстрація
:
46.50 грн.
Долар:
43.60 грн.
Євро:
51.80 грн.
Вы не авторизовані!
Зареєструйтесь
та отримайте доступ до повного функціоналу сайта.
Мова
сайту
Українська
Російська
Валюта
сайту
UAH
EUR
USD
GBP
:
46.50 грн.
Долар:
43.60 грн.
Євро:
51.80 грн.
0
Вартість
0 грн.
Увійти
Реєстрація
:
46.50 грн.
Долар:
43.60 грн.
Євро:
51.80 грн.
Модель
Выберите модель авто
Range Rover Classic (1986-1991)
Defender L 316 (1987-2006)
Defender L 316 (2007-2014)
Freelander I L314 (1996-2006)
Freelander II L359
Range Rover II P38 (1994-2001)
Range Rover Evoque L538 (2012-)
Discovery I L25 (1989-1998)
Discovery II L50 (1998-2004)
Discovery III L319 (2005-2009)
Discovery IV L319 (2010-2015)
Range Rover III L322 (2002-2009)
Range Rover IV L322 (2010-2012)
Range Rover Vogue L322 (2010-2012) NAS
Range Rover Vogue L405 с 2017-
Range Rover Vogue L405 (2013-2017)
Range Rover Sport L320 (2005-2009)
Range Rover Sport (L320) 2010-2013
Range Rover Sport L494 (2014-2017)
Range Rover Sport L494 с 2017-
Range Rover Velar L560 (2018-)
Discovery Sport L550
Discovery V L462 с 2017-
Каталог
2013-2017 Range Rover (L405)
ШАССИ
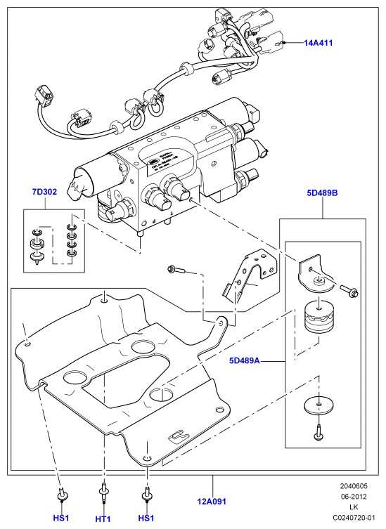
20406: СИСТЕМА АКТИВНОЙ СТАБИЛИЗАЦИИ (ACE)
СИСТЕМА АКТИВНОЙ СТАБИЛИЗАЦИИ БЛОК КЛАПАНОВ
Каталог:
Назва
Код
Ціна
Кількість
Купити
HS1
- Болт M6
Болт M6
Детально
RYG501590
41.44 грн.
Доступна к-ть:
0 шт.
Замовити
HT1
- Шпилька m8*22 + m8*22
Детально
LR035498
85.47 грн.
Доступна к-ть:
0 шт.
Замовити
7D302
- Сальник блока клапанов системы гидроподвески Discovery II / RR Sport / RR Sport от 2010
Сальник блока клапанов системы гидроподвески Discovery II / RR Sport / RR Sport от 2010
Детально
RVW100010
2 430.97 грн.
Доступна к-ть:
13 шт.
В кошик
5D489A
- Комплект установочный комплект - без основного кронштейна включает изоляторы, шайбы, болты и кронштейны блока клапанов
Детально
LR038596
6 497.79 грн.
Доступна к-ть:
0 шт.
Замовити
14A411
- Провод
Детально
LR038597
10 594.14 грн.
Доступна к-ть:
0 шт.
Замовити
5D489B
- Комплект установочный комплект - с основным кронштейном включает изоляторы, шайбы, болты и кронштейны блока клапанов
Детально
LR038594
11 310.01 грн.
Доступна к-ть:
0 шт.
Замовити
12A091
- Блок клапанов управления стабилизатора RR L405 / RR Sport с 2014 года
Блок клапанов управления стабилизатора RR L405 / RR Sport с 2014 года
Детально
LR072419
68 514.31 грн.
Доступна к-ть:
0 шт.
Замовити
Наші контакти:
Контакти -
+38 (067) 310-51-00
+38 (044) 391-11-93
+38 (095) 914-81-41
Facebook:
Facebook -
www.facebook.com/Landstorecomua
Назва товару
×
Оберіть склад
Склад 1
Склад 2
Ціна:
2,200 грн.
Купити товар
×
Товар добавлен в корзину
В корзину
Продолжить покупки